這個頁面上的內容需要較新版本的 Adobe Flash Player。

取得 Adobe Flash Player

 
 
 
SOLENOID VALVES
 
HYDRAULIC VALVES
 
HYDRAULIC PUMP
 
MODULAR VALVES
 
HYDRAULIC PARTS
   
 
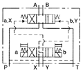
HYDRAULIC SOLENOID VALVES SYMBOL VALVE SIZE MAX. FLOW
l/min(GPM)
MAX. PRES.
Bar(PSI)
DS-G02-3C2-AC 1/4" 60(15.9) 315(4500)
DS-G02-3C4-AC-N 1/4" 60(15.9) 315(4500)
DS-G02-3C2-DC 1/4" 60(15.9) 315(4500)
DS-G02-3C6-DC-N 1/4" 60(15.9) 315(4500)
DS-G03-3C2-DC 3/8" 120(31.7) 315(4500)
DS-G03-3C4-DC-N 3/8" 120(31.7) 315(4500)
DS-G03-3C3-AC 3/8" 120(31.7) 315(4500)
DS-G03-3C6-AC-N 3/8" 120(31.7) 315(4500)
SOLENOID OPERATED
DIRECTIONAL VALVES
SYMBOL VALVE SIZE MAX. FLOW
l/min(GPM)
MAX. PRES.
Bar(PSI)
DSH-04G-DC-N 1/2" 300(79.3) 250(3600)
DSH-06G-AC 3/4" 300(79.3) 250(3600)
 
 
Copyright © PROWIN HYDRAULIC INDUSTRIAL CO., All rights reserved.